|
◆铗头 |
■使用例
|
◆平铗(2个一组)
 |
◆与阶段铗,螺杆组合使用方便
型号 |
适合螺杆 |
L |
FPB 10063P
10100P
10150P
|
M 10 |
63
100
150 |
FPB 12063P
12100P
12150P |
M 12 |
63
100
150 |
FPB 14150P |
M 14 |
150 |
FPB 16063P
16100P
16150P |
M 16 |
63
100
150 |
FPB 18200P |
M 18 |
200 |
FPB 20100P
20150P
20200P
|
M 20 |
100
150
200 |
FPB 22250P |
M 22 |
250 |
FPB 24150P
24200P
24250P |
M 24 |
150
200
250 |
|
◆使用范围大
◆调节高度迅速简单
◆铗范围大,且无阶段调整
◆六角杆安装中调节高度迅速简单
型号 |
螺径 |
夹紧范围 |
FL 12 |
M 12 |
15-35 |
FL 16 |
M 16 |
18-42 |
FL 20 |
M 20 |
22-50 |
|
■使用例
 |
◆卡铗部件
 |
 |
◆阶段台(2个一组) 
◆2成组调度高度用,与阶段铗组合用
|

最小高度 最大高度 |
 |
 |

与阶段铗组合 与平铗组合
型号 |
高度范围 |
FW 2S |
28-68 |
FW 4S |
36-90 |
FW 5S |
58-150 |
FW 6S |
82-210 |
FW 9S |
82-210 |
|
 |
|
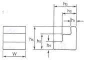
◆阶段台
 |

◆横放,坚放可得六种高度
型号 |
W |
h1 |
h2 |
h3 |
h4 |
h5 |
h6 |
FW 40 |
40 |
10 |
22 |
34 |
16 |
28 |
40 |
FW 50 |
50 |
13 |
28 |
43 |
20 |
35 |
50 |
FW 80 |
80 |
20 |
44 |
68 |
32 |
56 |
80 |
|
◆阶段铗头(2个一组)
 |
◆调节高度,简单
型号 |
适合螺杆 |
L |
FPB 10063S
10100S
10150S
|
M 10 |
63
100
150 |
FPB 12063S
12100S
12150S |
M 12 |
63
100
150 |
FPB 14150S |
M 14 |
150 |
FPB 16063S
16100S
16150S |
M 16 |
63
100
150 |
FPB 18200S |
M 18 |
200 |
FPB 20100S
20150S
20200S
|
M 20 |
100
150
200 |
FPB 22250S |
M 22 |
250 |
FPB 24150S
24200S
24250S |
M 24 |
150
200
250 |
|
◆U型压板
 |
型号 |
适合螺杆 |
L |
FUB 12B |
M 12 |
100 |
FUB 16B |
M 16 |
150 |
FUB 20B |
M 20 |
200 |
FUB 24B |
M 24 |
250 |
|
| ■使用例 |

阶段铗和阶段台的组合 |